Request Quote

Request a quote from Nidec Drive Technology America Corporation.

This quote form is intended for customers and partners in North America seeking information about Nidec Drive Technology America Corporation’s Precision Gearing Technologies. For inquiries related to the Nidec motor group division or from outside this region, please visit the global Nidec Group website to find the appropriate regional or product-specific contact.

Subscribe to Nidec Newsletter

Subscribe to our email newsletter to stay current with our precision gearing solutions, featured products, company updates, and industry news.

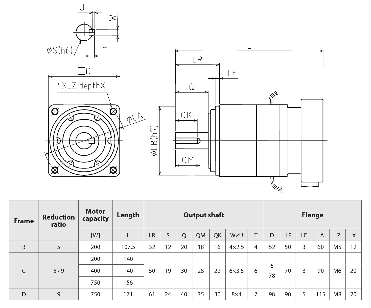
Traction Reducer Type B

B, C, D

An excellent choice for the wheel drive assembly in AGV’s and intelligent mobile equipment.

The Traction Drive mechanism produces smooth rotation and eliminates speed irregularity due to the high frequency vibration inherent in gear transmission. This is how the traction drive provides high rotational accuracy with low noise. Transmission through either cones or planet rollers being contacted under pressure allows the system to eliminate backlash when paired with full closed loop control. This allows the differential to approach zero backlash and achieve extremely high positional accuracy.

Downloads

Technical Data

Type B Specifications

Type B Dimensions

Type B (High speed industrial application)