Request Quote

Request a quote from Nidec Drive Technology America Corporation.

This quote form is intended for customers and partners in North America seeking information about Nidec Drive Technology America Corporation’s Precision Gearing Technologies. For inquiries related to the Nidec motor group division or from outside this region, please visit the global Nidec Group website to find the appropriate regional or product-specific contact.

Subscribe to Nidec Newsletter

Subscribe to our email newsletter to stay current with our precision gearing solutions, featured products, company updates, and industry news.

Smart-Flexwave

SRH – Hollow Shaft Unit
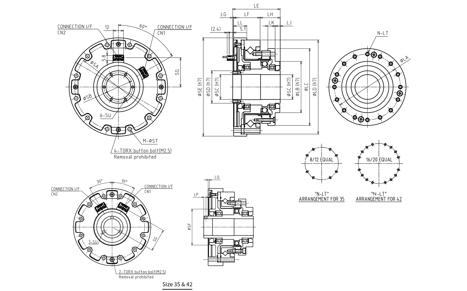
WPU-□-□-SRH-BD

The Smart-FLEXWAVE SRH Hollow Shaft features an integrated sensor that detects output torque and internal temperature of the reducer. It maximizes manufacturing and automation capabilities, giving the all-around edge in process control, efficiency, optimization, and safety for your most demanding applications.

The Smart-FLEXWAVE is TÜV SÜD safety certified, helping to reduce time and costs involved in acquiring these safety compliances.

Downloads

Technical Data

Ratio Matrix Availability

Reducer Specifications

  1. The maximum allowable value at the input rotation speed of 2000r/min
  2. The maximum torque when starting and stopping.
  3. The maximum torque when it receives shock.
  4. The maximum average input speed.
  5. The maximum input speed.
  6. The life time at the input rotation speed of 2000 r/min and nominal output torque.

Torque Sensor Data

FeaturesDescriptionNotes
Rated torqueEquivalent to the maximum allowable torque of the reducer
Limit torqueEquivalent to the emergency stop torque of reducer
DurabilityEquivalent to reducer
Measuring range (Full scale)Determined by the size of the reducer
Non-linearity±3% FS or lessRange to rated torque
Hysteresis3% FS or lessRange to rated torque
Cross-axis sensitivity±1% FS or lessRange to allowable moment of reducer
Temperature compensation±0.05FS/°CUse the built-in temperature sensor
Resolution12-bitRange: ±2000
LSB:Determined by the size of the reducer
Functional safetyPLd (Category 3) /ISO 13849-1
SIL2 /IEC 61508
Certification is expected in 2024

Temperature Sensor Data

FeaturesDescriptionNotes
Accuracy±2°CT.B.D.
Measuring range0°C ~ 80°C
Resolution0 ~ 800 bitLSB: 0.1°C

General Data

FeaturesDescriptionNotes
Power supply voltageDC24V+10%/-15%
Consumption current0.06A or lessT.B.D.
Communication method2-wire RS-485
Baud rate3.0Mbps
Operating temperature limit0°C ~ 80°C

Sensor Measurement Range

FrameRatio *1Rated Lod [Nm]Full Scale [Nm]Full Scale [LSB]
355023± 500.025
358030± 500.025
3510036± 500.025
425044± 1000.050
428056± 1000.050
4210070± 1000.050
4212070± 1000.050
505073± 1500.075
508096± 1500.075
50100107± 1500.075
50120113± 1500.075
50160120± 150
6350127± 3000.150
6380178± 3000.150
63100204± 3000.150
63120217± 3000.150
63160229± 3000.150
8050281± 6000.300
8080395± 6000.300
80100433± 6000.300
80120459± 6000.300
80160484± 6000.300
  1. “+” sign indicates clockwise (CW) torque.
  2. LSB is an abbreviation for Least Significant Bit.

Smart-Flexwave Weight and Size

ModelWeight *1
[kg]
Outer Diameter of Cover A *2
[mm]
Thickness *3
[mm]
WPU-35-□-SRH-BD0.72+ 4+ 7
WPU-42-□-SRH-BD1.0+ 4+ 7
WPU-50-□-SRH-BD1.4+ 0+ 5
WPU-63-□-SRH-BD2.1+ 0+ 5
WPU-80-□-SRH-BD4.2+ 0+ 5
  1. Weight is almost same with based reducer.
  2. Outer diameter of #35 and #42 is larger than based reducer ones.
  3. Thickness increases with all models against based reducer.

Closed Type: Component

WPU-□-□-SRH-BD Dimensions

Frame SizeWeight
Kg
Moment of Inertia
x10-4kgm²
350.780.0924
421.050.207
501.40.408
632.11.06
804.22.72

[mm]

Frame SizeLALBLCLDLELFLGLHLJLKLLLPLQ
354436547052.527.55207.58162.51.5
425445648056.530521.58.58.5172.51.5
506250759051.530021.57915.5
6375609011055.531123.568.515.5
801008511514265.537226.559.517